ติด ครูชคอนโทรล Cruise Control Honda Civic FD YouTube

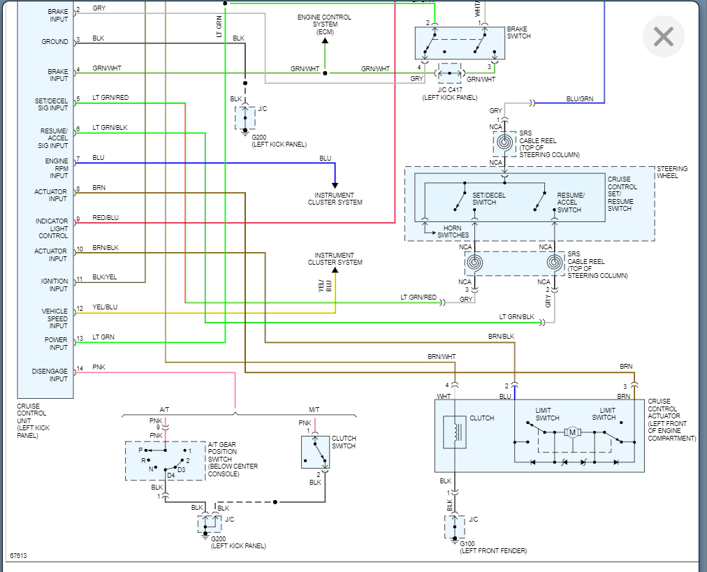
Cruise Control Not Working Honda Civic. WHY CRUISE CONTROL IS NOT WORKING. TOP 3 REASONS CRUISE IS NOT WORKING If one or more speed sensors are faulty, the system won't be able to maintain a consistent speed, and the cruise. Now, let's explore the most common reasons why your Honda Civic's cruise control might not be working

ติด ครูชคอนโทรล Cruise Control Honda Civic FD YouTube
ติด ครูชคอนโทรล Cruise Control Honda Civic FD YouTube from www.youtube.com

The most common reasons a Honda Civic cruise control isn't working are failed control module, sensor or switch issues, or throttle actuation problems if the feature is controlled electronically, it has an associated fuse.

ติด ครูชคอนโทรล Cruise Control Honda Civic FD YouTube

This could be a reason why the cruise control feature is not working Press the cruise control button to engage the system. Check the manual to learn more about the fuse connected to your cruise control system and purchase a compatible component for a replacement

2013 Honda Civic Cruise Control How To By Brookdale Honda YouTube. The most common reasons a Honda Civic cruise control isn't working are failed control module, sensor or switch issues, or throttle actuation problems The good news is that you should be able to buy and replace your blown fuse

Cruise Control Electrical Problem 4 Cyl Two Wheel Drive Manual. The Honda Civic is known for its reliability and fuel efficiency, and cruise control is a feature that many drivers rely on for long drives.But what happens when your Honda Civic's cruise control suddenly stops working?This can be a frustrating experience, leaving you wondering what's wrong and how to fix it. Accelerate and hold the gas pedal to a desired speed